Factory Installed Vertical
Supports
Field Installed Vertical Support
Truss Assembly <<

|
Truss Depths |
Lengths - Minimum to Maximum |
Panel Point Spacing |
|
30” |
11’-6”
through 60’-0” |
52” |
|
34” |
13’-0”
through 60’-0” |
60” |
|
40” |
15’-6”
through 60’-0” |
72” |
Chords <<

|
Finish |
Available Material Thickness |
|
G30 |
0.060” 0.073” 0.079” 0.088” 0.113” 0.1345” |
Web Members <<
|
Web
Type |
Web
Assembly Type |
Wall
Thickness |
|
Intermediate
Web |
TIWR
– Reinforced |
0.068”
or 0.090” |
|
TIWU
– Unreinforced * |
0.068”
or 0.090” |
|
|
TIWDU
– Unreinforced** |
0.090” |
|
|
End
Web |
TEWRA
- Reinforced |
0.090”
or 0.108” 0.090”
or 0.108” |
|
TEWUA
- Unreinforced |
||
|
*1.315”
OD x 0.090” unreinforced interior webs are invoked only when vertical shear
joint loads require a ¼” x 2” x 2” washer.
(Reference DP 4.3.1) **
TIWDU is not automated and must be manually added. |
||






End Seats <<
· Two Seat Lengths are available: 5” (TESA05) & 10” (TESA10)
· 5” seat available with 9/16”∅ holes
· 10” seat available with 9/16” ∅ and 13/16” ∅ holes
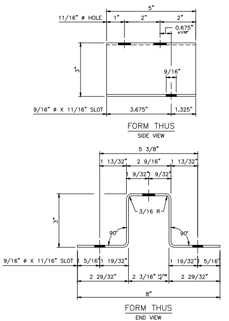
5”
SEAT (TESA05)

10” SEAT (TESA10)

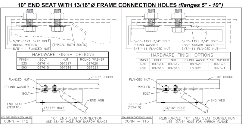
Connections <<
·
All web to chord and seat connections use
factory installed 5/8”-11 x 1.750” Grade 8 bolts.
·
No field modifications permitted to calibrated
factory connections.
·
SED TR022 will be included with every truss
order.






Factory Installed Vertical Support <<

Field Installed Vertical Support <<
